Features
◇ Straight through design avoids blocking while transferring materials and easy to maintain.
Suitable for transferring particles.
◇ Available in different bore sizes, max flow can be achieved with in line bore size up to 75 mm
Applications
◇ Transferring materials
◇ Transferring porous material such as textile, paper, foam, etc.
◇ Transferring particles such as powder , beans, coffee beans and other bulk goods.
◇ Removal of non-corrosive vapour and gas.
| How to order | ||
| ACPS 10 ① ② | ||
| ①Series | ② Nozzle diameter Material | Material |
| ACPS | 10 - φ10mm 20 - φ20mm 40 - φ40mm 75 - φ75mm | Nil-Aluminum alloy |
| Selection | ||
| Model/Material | Aluminum alloy | |
| ACPS10 | ● | |
| ACPS20 | ● | |
| ACPS40 | ● | |
| ACPS75 | ○ | |
◇Note: "●"- standard, in stock. "○"-selective,no stock.
| Technical parameters | |||||||
| Model | Nozzle diameter(mm) | Air supply pressure(bar) | Vacuum level(-kPa) | Vacuum flow (NL/min) | Air consumption (NL/min) | Weight (g) | Operating temperature(℃) |
| ACPS10 | 10.0 | 5.0 | 12 | 655 | 118 | 77 | -20~80 |
| ACPS20 | 20.0 | 5.0 | 2-8 | 1,950 | 221 | 189 | -20~80 |
| ACPS40 | 40.0 | 5.0 | 2-8 | 2,900 | 430 | 522 | -20~80 |
| ACPS75 | 75.0 | 5.0 | 2-8 | 8,588 | 876 | 2,308 | -20~80 |
◇Note:Air supply pressure 2-6 bar.

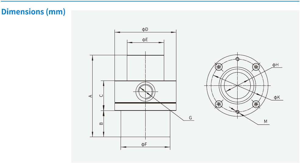
| Model/Size | A | B | C | D | E | F | G | H | K | M |
| ACPS10 | 70 | 23 | 21 | 37 | 19 | 19 | G1/8 | 10 | 29 | M4 |
| ACPS20 | 90 | 30 | 30 | 50 | 32 | 38 | G1/4 | 20 | 41.5 | M4 |
| ACPS40 | 94 | 30 | 34 | 84 | 52 | 75 | G3/8 | 40 | 72 | M4 |
| ACPS75 | 180 | 35 | 65 | 140 | 100 | 125 | G1/2 | 75 | 126 | M6 |